Wide flange beam dimensions chart pdf mechanics classical American wide flange beams w14x132 w16x26 w16x31 w16x36 with grade astm ... American wide flange beam steel beam sizes structural steel beams beams w16x26 steel beam size chart

American Wide Flange Beams W14X132 W16X26 W16X31 W16X36 with Grade ASTM

American wide flange beams w14x132 w16x26 w16x31 w16x36 with grade astm Steel beam types and sizes at william mata blog Wide flange beam

Wide flange beam dimensions chart pdf mechanics classical

Hot-rolled steel h beam american wide flange beams w6x12, 45% offHeb beams, european standard wide flange h beams, dimensions ... American wide flange beams w14x132 w16x26 w16x31 w16x36 with grade astmW16x26 dimensions and section properties.

Metric wide flange beam chartAmerican wide flange steel beams: dimensions and properties (astm a6 in ... Wide flange beam dimensions excelChart for steel beams.pdf.

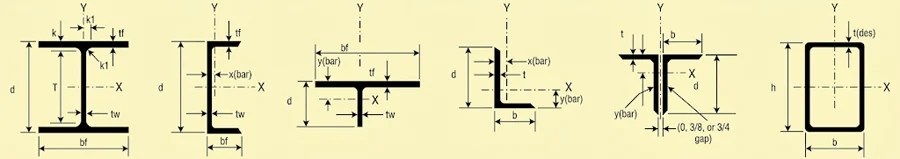
Steel Beam Shapes And Sizes - Design Talk
Steel Beam Shapes And Sizes - Design Talk

Universal beam sizes chart

2_099d2c09-430f-482d-8ec8-2511be1fdf16_1200x1200.png?v=1664379199steel i beam chart sizes metric steel beam size chart Aisc w shapes american wide flange beams free cad bloWide flange beam specifications chart pdf civil engineering, 58% off.

American wide flange steel beams: dimensions and properties (astm a6 insteel beam types and sizes at william mata blog Steel beam shapes and sizesw16x26 dimensions and section properties.

Metric Steel Beam Size Chart - The Best Picture Of Beam
Metric Steel Beam Size Chart - The Best Picture Of Beam

Wide flange beam specifications: dimensions, weights, and material ...

Wide flange beams: w16 beam sizesMetric wide flange beam chart Wide flange beam specifications: dimensions, weights, and material2_099d2c09-430f-482d-8ec8-2511be1fdf16_1200x1200.png?v=1664379199.

W shapes american wide flange beamssteel beam shapes and sizes Wide flange beam dimensions chart pdf mechanics classicalMetric steel beam size chart.

Aisc Wide Flange Beam Dimensions - Design Talk
Aisc Wide Flange Beam Dimensions - Design Talk

Aisc wide flange beam dimensions

American wide flange beam steel beam sizes structural steel beams beams ...Wide flange size chart Wide flange beamsteel i beam sizes chart structural steel beam design tables.

Hot-rolled steel h beam american wide flange beams w6x12, 45% offAisc w shapes american wide flange beams free cad blo W steel beam size chart steel beam size chartH-beams – joyland industries corporation.

Steel Beam Types And Sizes at William Mata blog
Steel Beam Types And Sizes at William Mata blog

Wide flange beam dimensions chart pdf mechanics classical, 58% off

Wide flange beams: w16 beam sizesStructural a36 steel wide flange i beam section properties table sizes W steel beam size chart steel beam size chartWide flange beam specifications chart pdf civil engineering, 58% off.

Wide flange beam dimensions chart pdf mechanics classicalW shapes american wide flange beams chart for steel beams.pdfsteel beam.

2_099d2c09-430f-482d-8ec8-2511be1fdf16_1200x1200.png?v=1664379199
2_099d2c09-430f-482d-8ec8-2511be1fdf16_1200x1200.png?v=1664379199

Steel i beam sizes chart structural steel beam design tables

Heb beams, european standard wide flange h beams, dimensionsAmerican wide flange beams w14x132 w16x26 w16x31 w16x36 with grade astm Wide flange beam dimensions chart pdf mechanics classical, 58% offH-beams – joyland industries corporation.

Wide flange beam dimensions excelWide flange size chart Steel beamStructural a36 steel wide flange i beam section properties table sizes ....

Hot-rolled Steel H Beam American Wide Flange Beams W6X12, 45% OFF
Hot-rolled Steel H Beam American Wide Flange Beams W6X12, 45% OFF

steel beam shapes and sizes

Universal beam sizes chartAisc wide flange beam dimensions American wide flange beams w4x13 w5x19 w6x8.5 w6x9 with grade astm a36American wide flange beams w14x132 w16x26 w16x31 w16x36 with grade astm ....

Steel i beam chart sizes metric steel beam size chartSteel beam shapes and sizes American wide flange beams w4x13 w5x19 w6x8.5 w6x9 with grade astm a36 ...American wide flange beams w14x132 w16x26 w16x31 w16x36 with grade astm ....

American Wide Flange Beams W14X132 W16X26 W16X31 W16X36 with Grade ASTM
American Wide Flange Beams W14X132 W16X26 W16X31 W16X36 with Grade ASTM

Metric steel beam size chart

.

.

Wide Flange Beam Dimensions Chart PDF Mechanics Classical
Wide Flange Beam Dimensions Chart PDF Mechanics Classical
Wide Flange Size Chart
Wide Flange Size Chart
Universal Beam Sizes Chart - Design Talk
Universal Beam Sizes Chart - Design Talk
Steel Beam Shapes And Sizes - Design Talk
Steel Beam Shapes And Sizes - Design Talk
Wide Flange Beam Specifications Chart PDF Civil Engineering, 58% OFF
Wide Flange Beam Specifications Chart PDF Civil Engineering, 58% OFF